SB413
Pelle
Nouveau
Moulage
HRC63
Selon les exigences du client
Chine
Godet d'excavatrice
CE
Sb413
Fer blanc et acier doux
OEM
230mmx50mmx50mm
8431499900
1. Description:
Nom: Bord bombé SB413
Descriptions:
Matériau: fer blanc et acier doux
Dureté: HRC63
Facile à couper - vous permettant de personnaliser la protection selon différentes spécifications
Facile à plier - offre une protection sur une surface profilée.
Utilisez des barres de choc avec une plaque de support pré-entaillée.
Disponible en 5 tailles - avec plaque de support standard ou préencollée.
Applications:
Seau bandes d'usure.
Remplace le revêtement dur pour les tarières, les têtes de forage dirigé, le forage de fondation, le forage d'alésage.
Doublures de pales de ventilateur.
Moulin à carlin, pagaies, spatules et grattoirs.
Industrie du recyclage.
Dérouleurs et protecteurs de pick.
Remplace le revêtement dur des corps de pompe et des turbines
2. Notre gamme de produits
3Articles populaires souffler pour référence:
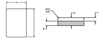
| Numéro de pièce | A (mm) | B (mm) | C (mm) | D (mm) | E (mm) | poids (kg) |
| DLP-1920 | 75 | 25 | 17 | 8 | 25 | 0.7 |
| DLP-1921 | 100 | 50 | 17 | 8 | 25 | 1.1 |
| DLP-1994 | 100 | 70 | 24 | 8 | 32 | 1 |
| DLP-2196 | 130 | 80 | 15 | 8 | 23 | 1.3 |
| DLP-4771 | 148 | 108 | 25 | 10 | 35 | 2.3 |
| Numéro de pièce | A (mm) | B (mm) | C (mm) | D (mm) | E (mm) | poids (kg) |
| DLP 4 | 300 | 38 | 25 | 8 | 33 | 3 |
| DLP 295 | 153 | 38 | 25 | 8 | 33 | 1.6 |
| DLP 508 | 190 | 50 | 20 | 10 | 30 | 2.3 |
| DLP 125 | 230 | 50 | 38 | 12 | 50 | 4.6 |
| DLP 1101 | 150 | 50 | 40 | 10 | 50 | 3 |
| DLP 528 | 150 | 75 | 40 | 10 | 50 | 4.5 |
| DLP 619 | 150 | 75 | 50 | 10 | 60 | 5.3 |
| Partie # | A (mm) | B (mm) | C (mm) | D (mm) | E (mm) | Poids (kg |
| SB 413 | 200 | 150 | 20 | 25 | 45 | 10.5 |
| SB 412 | 250 | 150 | 20 | 25 | 45 | 13.1 |
| SB 414 | 250 | 250 | 20 | 25 | 45 | 22 |
4. Notre ligne de production:
6. Informations sur la société
Ningbo Beneparts Machinery Co., Ltd en tant que votre fournisseur fiable de pièces GET, offrant une gamme complète de pièces de rechange adaptées à tous les types de machines de terrassement s’appliquant aux mines, à la construction, à l’agriculture, etc. bientôt. Les pièces de rechange que nous fournissons incluent des pièces de fonderie telles que dents de godet, adaptateur, coiffe de lèvre, protecteur, tige de ripper, etc. comme des barres de choc, des boutons d'usure, des plaques d'usure combinées au chrome, etc. et des pièces assorties telles que goupille, rondelle, boulons et écrous, etc. John Deere etc.
Beneparts possède une équipe de vente très forte et un fabricant étroitement associé aux technologies de pointe et axé sur la qualité avec plus de 28 ans d'expérience.
Nos avantages sont au nombre de quatre, nos:
1. équipe technique forte, et nous avons la capacité de formuler des matériaux pour répondre aux besoins spécifiques des projets de nos clients.
Système de contrôle de qualité 2.Perfect, et gamme complète des équipements avancés, tels que la machine d'analyse de composants, la machine d'impact, la machine de résistance à la traction, etc.
3. Une expérience riche pour faire des affaires OEM / ODM, nous pouvons développer des articles selon les dessins et les échantillons si vous avez une exigence spécifique.
4. Une gestion efficace, nous pouvons raccourcir les délais de livraison et nous avons un bon service après-vente qui maintient une coopération commerciale à long terme avec nos clients.
Notre engagement envers vous consiste toujours à fournir un service clientèle rapide, pratique et efficace.
Impatient de vous rencontrer!
1. Description:
Nom: Bord bombé SB413
Descriptions:
Matériau: fer blanc et acier doux
Dureté: HRC63
Facile à couper - vous permettant de personnaliser la protection selon différentes spécifications
Facile à plier - offre une protection sur une surface profilée.
Utilisez des barres de choc avec une plaque de support pré-entaillée.
Disponible en 5 tailles - avec plaque de support standard ou préencollée.
Applications:
Seau bandes d'usure.
Remplace le revêtement dur pour les tarières, les têtes de forage dirigé, le forage de fondation, le forage d'alésage.
Doublures de pales de ventilateur.
Moulin à carlin, pagaies, spatules et grattoirs.
Industrie du recyclage.
Dérouleurs et protecteurs de pick.
Remplace le revêtement dur des corps de pompe et des turbines
2. Notre gamme de produits
3Articles populaires souffler pour référence:
| Numéro de pièce | A (mm) | B (mm) | C (mm) | D (mm) | E (mm) | poids (kg) |
| DLP-1920 | 75 | 25 | 17 | 8 | 25 | 0.7 |
| DLP-1921 | 100 | 50 | 17 | 8 | 25 | 1.1 |
| DLP-1994 | 100 | 70 | 24 | 8 | 32 | 1 |
| DLP-2196 | 130 | 80 | 15 | 8 | 23 | 1.3 |
| DLP-4771 | 148 | 108 | 25 | 10 | 35 | 2.3 |
| Numéro de pièce | A (mm) | B (mm) | C (mm) | D (mm) | E (mm) | poids (kg) |
| DLP 4 | 300 | 38 | 25 | 8 | 33 | 3 |
| DLP 295 | 153 | 38 | 25 | 8 | 33 | 1.6 |
| DLP 508 | 190 | 50 | 20 | 10 | 30 | 2.3 |
| DLP 125 | 230 | 50 | 38 | 12 | 50 | 4.6 |
| DLP 1101 | 150 | 50 | 40 | 10 | 50 | 3 |
| DLP 528 | 150 | 75 | 40 | 10 | 50 | 4.5 |
| DLP 619 | 150 | 75 | 50 | 10 | 60 | 5.3 |
| Partie # | A (mm) | B (mm) | C (mm) | D (mm) | E (mm) | Poids (kg |
| SB 413 | 200 | 150 | 20 | 25 | 45 | 10.5 |
| SB 412 | 250 | 150 | 20 | 25 | 45 | 13.1 |
| SB 414 | 250 | 250 | 20 | 25 | 45 | 22 |
4. Notre ligne de production:
6. Informations sur la société
Ningbo Beneparts Machinery Co., Ltd en tant que votre fournisseur fiable de pièces GET, offrant une gamme complète de pièces de rechange adaptées à tous les types de machines de terrassement s’appliquant aux mines, à la construction, à l’agriculture, etc. bientôt. Les pièces de rechange que nous fournissons incluent des pièces de fonderie telles que dents de godet, adaptateur, coiffe de lèvre, protecteur, tige de ripper, etc. comme des barres de choc, des boutons d'usure, des plaques d'usure combinées au chrome, etc. et des pièces assorties telles que goupille, rondelle, boulons et écrous, etc. John Deere etc.
Beneparts possède une équipe de vente très forte et un fabricant étroitement associé aux technologies de pointe et axé sur la qualité avec plus de 28 ans d'expérience.
Nos avantages sont au nombre de quatre, nos:
1. équipe technique forte, et nous avons la capacité de formuler des matériaux pour répondre aux besoins spécifiques des projets de nos clients.
Système de contrôle de qualité 2.Perfect, et gamme complète des équipements avancés, tels que la machine d'analyse de composants, la machine d'impact, la machine de résistance à la traction, etc.
3. Une expérience riche pour faire des affaires OEM / ODM, nous pouvons développer des articles selon les dessins et les échantillons si vous avez une exigence spécifique.
4. Une gestion efficace, nous pouvons raccourcir les délais de livraison et nous avons un bon service après-vente qui maintient une coopération commerciale à long terme avec nos clients.
Notre engagement envers vous consiste toujours à fournir un service clientèle rapide, pratique et efficace.
Impatient de vous rencontrer!